Pronájem skladu, Hořovice, Sklenářka, 2197 m2 (ID: 4091599)

Sklenářka, Hořovice

100 Kč /za metr čtvereční / měsíc Získejte výhodnou HYPOTÉKU

(+ vlastní spotřeba 220/380V, služby areálu)

Prémioví partneři v Hořovicích

Informace k nemovitosti

Nabízíme vytápěnou novostavbu haly 2197 m2 s admin a soc. zázemím. Hořovice (okr. Beroun )
------------------------------------------------------------
Celková velikost haly 2197 m2
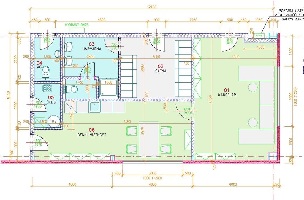
Adimin. a soc. zázemí 70 m2
------------------------------------------------------------
Nabízíme k pronájmu přízemní výrobně/skladovací prostory o rozloze 2.197 metrů s kancelářským vestavkem, včetně sociálního zázemí a šaten. Je možné upravit a doplnit o část showroomu. Výhodou haly je příprava pro jeřábové dráhy. Jedná se o moderní zateplenou halu, která je kolaudována v roce 2020 a má výbornou dostupnost na dálnici D5 s nejbližším EXITEM 34 v Žebráce ve směru na Prahu, Plzeň a Německo. Hala je volná od 1. 1. 2026.
SPECIFIKACE :
světlá výška 7,6 metrů
nosnost podlah 5 t/m2
bezprašné podlahy z drátkobetonu
příprava pro jeřábové dráhy
okolo haly jsou zpevněné betonové plochy
2 x hydraulická rampa, 1 x vrata pro přímý vjezd dodávky nebo TIR
LED osvětlení
vytápění přes plynové sahary
přípojka plyn, elektřina, pitná voda z městského řádu
napojení na kanalizaci



ČERNÝ Pavel
---------------- 2025 -----------------------
ARCHA - průmyslová kancelář ( Praha, Beroun )

-Prodej a pronájem skladů/dílen/kanceláří
-Prodej pozemků pro průmysl
-Výstavba skladů/dílen/areálů pro logistiku

Parametry nemovitosti

Cena
100 Kč /za metr čtvereční / měsíc
Poznámka k ceně
+ vlastní spotřeba 220/380V, služby areálu
Aktualizováno
27. 10. 2025
Adresa
Sklenářka, Hořovice
ID
2901
Stavba
Smíšená
Stav objektu
Novostavba
Typ objektu
Přízemní
Užitná plocha
2197 m2
Bezbarierový přístup

Kontaktovat makléře

Máte zájem o tuto nemovistost?

Tímto, v souladu s nařízením Evropského parlamentu a Rady (EU) 2016/679, v platném znění, prohlašuji, že mi je alespoň 16 let a uděluji tak svůj souhlas se zpracováním zadaných údajů (jméno, telefon, e-mail, ip adresa) společnosti B3 Technology, s.r.o., IČ: 07330600, se sídlem Novostavby 126/23, 435 11 Lom (správce dat), za účelem předání dotazu z tohoto formuláře Vámi vybranému inzerentovi a zpětného kontaktování mé osoby. Osobní údaje bude správce zpracovávat manuálně i automaticky přímo prostřednictvím svých zaměstnanců. Informace předané tímto formulářem budou uloženy v databázi správce maximálně po dobu 10 let. Odvolání souhlasu s uložením a zpracováním poskytnutých dat lze e-mailem na info@videobydleni.cz. V případě podezření na neoprávněné použití Vámi poskytnutých údajů máte právo předat podnět k šetření Úřadu pro ochranu osobních údajů. Více informací
Chystáte se prodat nemovitost?
Pomůžeme Vám!

Inzerát si prohlédlo 2 lidí

Prodejce

Pavel ČERNÝ

Pavel ČERNÝ

Hlídací pes

Chcete dostávat emailem podobné nabídky pronájmu skladů v Hořovicích?

Podobné nemovitosti


Nevyhovuje Vám typ nemovitosti? Podívejte se na jiné kategorie komerčních.


Vybrané články z našeho blogu